La tienda de revistas de pieldetoro.net

 

 

Se compran revistas de coches antiguas

Ofertas en el email

pieldetoro.net@gmail.com

 

 

 

 

 
 

 

 
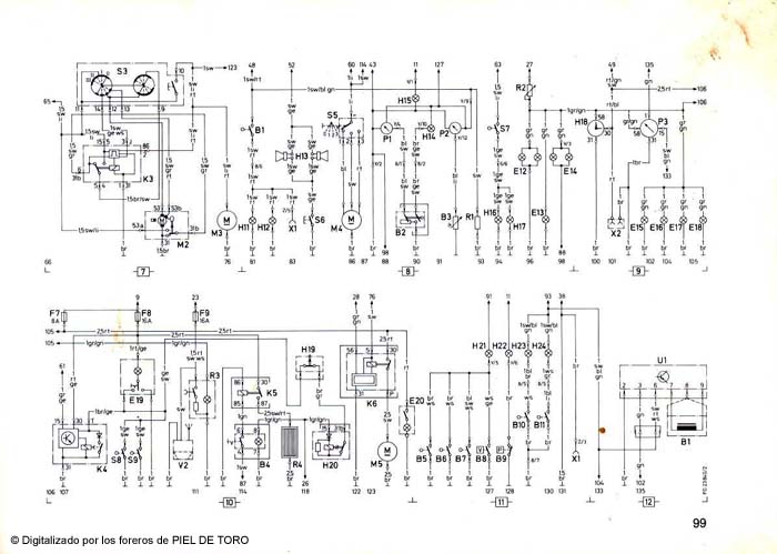
Manual de usuario del Mercedes 240 GD - 300 GD W460
 
 
 
 
 
 
 

  Pág. 099